High resolution
Power-off memory
Precision reset
Long lifespan
High frequency noise
Multiple output interfaces to choose from

Angle Displacement Sensor
High resolution
Power-off memory
Precision reset
Long lifespan
High frequency noise
Multiple output interfaces to choose from
Technical Data| Parameter | Condition | HAL360A(Range) | Unit |
| Range | — | 0-120 / 0-240 / 0-360 | ° |
| Resolution | — | 0.04 / 0.04 / 0.04 | ° |
| Precision | -40~85℃ | 0.5 / 0.6 / 0.8 | ° |
| Linearity | — | 0.15 / 0.15 / 0.15 | %FS |
| Temperature drift | -40~85℃ | 0.003 / 0.003 / 0.003 | °/°C |
| Output interface | Number | TTL、RS232、RS485、RS422、CAN Optional | — |
| Voltage | 0~5V、0.5-4.5V、0~10V Optional | — | |
| Current | 0-20mA、4-20mA Optional | — | |
| Sampling frequency | — | 1K HZ | — |
| Response time | — | Slow speed 500 us/Fast speed 200 us | — |
| Axis rotation direction | — | Clockwise and counterclockwise options are available | — |
| Power on stability time | — | 0.2s | — |
| Noise density | — | 5mV | — |
| Electromagnetic Compatibility | — | According to EN61000 and GBT17626 | — |
| Impact | — | 20000g pk, 0.5ms, ½sine | — |
| Vibration | — | 10grms、2~2000Hz | — |
| Average trouble free worker | — | ≥55000 Hour/time | — |
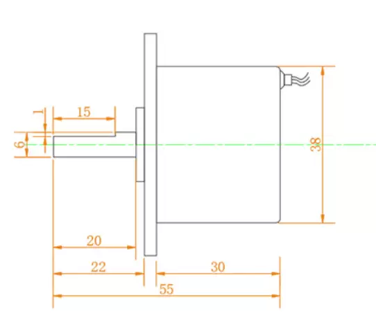
Overall Dimensions

Product Drawing

After ServiceTo provide solid support for all after-sales services, ensuring service quality and efficiency:
1. National service outlets:Establishing service outlets and testing centers in major industrial cities in China to achieve regional service coverage and shorten on-site service response time;
2. Original factory engineering team:All service engineers have undergone professional training and assessment, possess the ability to debug, repair, and calibrate sensors/joint modules throughout the entire process, and are certified to work;
3. Standardized service process:Establish a standardized process from service acceptance, fault diagnosis, solution, service execution, and after-sales follow-up to ensure that every service is recorded, tracked, and guaranteed;
4. Service quality follow-up:After all services are completed, Follow up with customers within 72 hour, collect customer feedback, and continuously optimize service processes and quality.
Promise to quickly solve problems within 12 hours, respond promptly within 24 hours, and conduct on-site repairs within 36 hours.