Long lifespan, high resolution, high repeatability, low temperature drift
High frequency response, multiple protections, anti electromagnetic interference, vibration and shock resistance

Angle Displacement Sensor
Long lifespan, high resolution, high repeatability, low temperature drift
High frequency response, multiple protections, anti electromagnetic interference, vibration and shock resistance
Technical Data| Measurement range | 0-360°(±180°) |
| Product performance | Accuracy 0.2 ° Resolution 0.02 ° |
| Working Voltage | DC 9~36V(5V optional) |
| Wide temperature operation | -40~+85°C |
| Protection level | IP66(IP67 customizable) |
| Sampling rate | 1K HZ |
| Output | RS232/RS485/TTL/RS422/CAN/Voltage/Current |
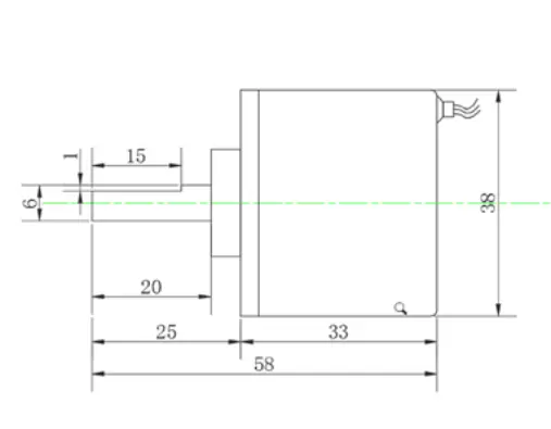
Overall Dimensions

Product Drawing

After ServiceTo provide solid support for all after-sales services, ensuring service quality and efficiency:
1. National service outlets:Establishing service outlets and testing centers in major industrial cities in China to achieve regional service coverage and shorten on-site service response time;
2. Original factory engineering team:All service engineers have undergone professional training and assessment, possess the ability to debug, repair, and calibrate sensors/joint modules throughout the entire process, and are certified to work;
3. Standardized service process:Establish a standardized process from service acceptance, fault diagnosis, solution, service execution, and after-sales follow-up to ensure that every service is recorded, tracked, and guaranteed;
4. Service quality follow-up:After all services are completed, Follow up with customers within 72 hour, collect customer feedback, and continuously optimize service processes and quality.
Promise to quickly solve problems within 12 hours, respond promptly within 24 hours, and conduct on-site repairs within 36 hours.