Adopting high-precision resistance strain gauge principle.
S-shaped structural design, bi-directional tension and compression, easy and flexible installation and use.
Stainless steel material.

Pressure Sensor
Adopting high-precision resistance strain gauge principle.
S-shaped structural design, bi-directional tension and compression, easy and flexible installation and use.
Stainless steel material.
Technical Data| Project | Parameter | Project | Parameter |
|---|---|---|---|
| Range (optional) | 5kg,10kg,20kg,50kg,100kg,200kg | Output sensitivity | 2.0±10%mV/V |
| Nonlinear | 0.05%F.S. | Repetitiveness | 0.05%F.S. |
| Zero output | ±2%F.S. | Working temperature range | -20~80℃ |
| Temperature compensation range | -10~40℃ | Insulation resistance | ≥5000MΩ/100VDC |
| Recommended incentive voltage | 5-10VDC | Safe Overload | 150%F.S. |
| Temperature sensitivity drift | 0.05%F.S./10℃ | Zero sensitivity drift | 0.05%F.S./10℃ |
| Cable size | φ2x4m | Protection level | IP65 |
| Cable connection method | Ex+: Red; Ex -: Black; Sig+: Green; Sig -: White | ||
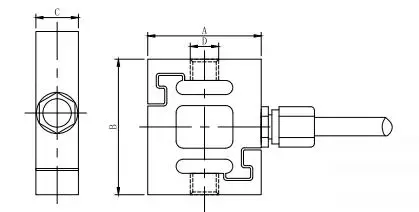
Overall Dimensions
Product Drawing
After ServiceTo provide solid support for all after-sales services, ensuring service quality and efficiency:
1. National service outlets:Establishing service outlets and testing centers in major industrial cities in China to achieve regional service coverage and shorten on-site service response time;
2. Original factory engineering team:All service engineers have undergone professional training and assessment, possess the ability to debug, repair, and calibrate sensors/joint modules throughout the entire process, and are certified to work;
3. Standardized service process:Establish a standardized process from service acceptance, fault diagnosis, solution, service execution, and after-sales follow-up to ensure that every service is recorded, tracked, and guaranteed;
4. Service quality follow-up:After all services are completed, Follow up with customers within 72 hour, collect customer feedback, and continuously optimize service processes and quality.
Promise to quickly solve problems within 12 hours, respond promptly within 24 hours, and conduct on-site repairs within 36 hours.